首页/科普/正文
机械制图项目实战

 2024年05月15日  阅读 869  评论 0

摘要:机械制图实例机械制图是工程设计中至关重要的一部分,它为制造过程提供了必要的信息和指导。下面以一个简单的轴承支座设计为例,介绍机械制图的实例。上图是一个轴承支座的设计示意图。在机械制图中,通常会包括三个

机械制图实例

机械制图是工程设计中至关重要的一部分,它为制造过程提供了必要的信息和指导。下面以一个简单的轴承支座设计为例,介绍机械制图的实例。

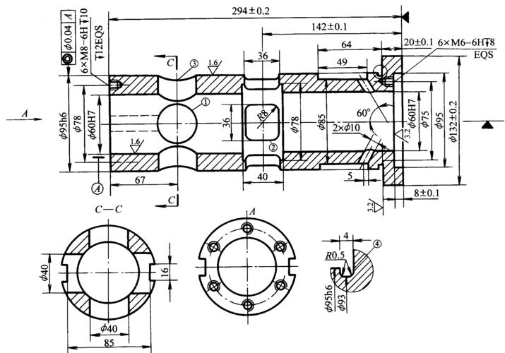
轴承支座设计示意图

上图是一个轴承支座的设计示意图。在机械制图中,通常会包括三个视图:主视图、俯视图和侧视图。这些视图提供了物体的全面信息,包括尺寸、形状和特征。

机械制图中还包括详细的尺寸标注、符号标识和注释。这些都是为了让制造人员能够准确理解设计意图,从而进行加工和制造。

机械编程

在现代制造业中,机械编程成为了不可或缺的技能。计算机辅助设计(CAD)和计算机数控加工(CNC)技术的发展,使得机械编程变得更加高效和精确。

机械编程涉及到CAD软件的使用,例如SolidWorks、AutoCAD等,以及CAM(计算机辅助制造)软件,如Mastercam、PowerMill等。通过这些软件,工程师可以将设计图转化为机床能够识别和执行的指令,实现自动化加工。

在机械编程中,需要深入理解材料特性、切削力学、工艺规范等知识,以确保编程的准确性和加工质量。对于复杂零部件的加工,还需要掌握多轴加工、刀具路径优化等高级技术。

总结

机械制图实例与编程是机械工程领域中的重要内容。通过正确绘制和编程,能够有效地将设计转化为实际零部件,并实现高质量的加工和制造。

对于想要学习机械制图和编程的人来说,建议从基础知识开始学习,逐步掌握CAD软件和CAM软件的使用技巧,同时加强对材料加工和工艺的理解,不断提升自己的实际操作能力。

通过学习和实践,不断积累经验和技能,将有助于成为一名优秀的机械工程师或加工技术人员。

你可能想看:

版权声明:本文为 “联成科技技术有限公司” 原创文章,转载请附上原文出处链接及本声明;

原文链接:https://www.lckjcn.com/post/31069.html

  • 文章59758
  • 评论0
  • 浏览36624292
关于 我们
免责声明:本网站部分内容由用户自行上传,若侵犯了您的权益,请联系我们处理,谢谢! 沪ICP备2023034384号-10
免责声明:本网站部分内容由用户自行上传,若侵犯了您的权益,请联系我们处理,谢谢! RSS订阅本站最新文章 沪ICP备2023034384号-10 网站地图