plc编程tbl代表
科普
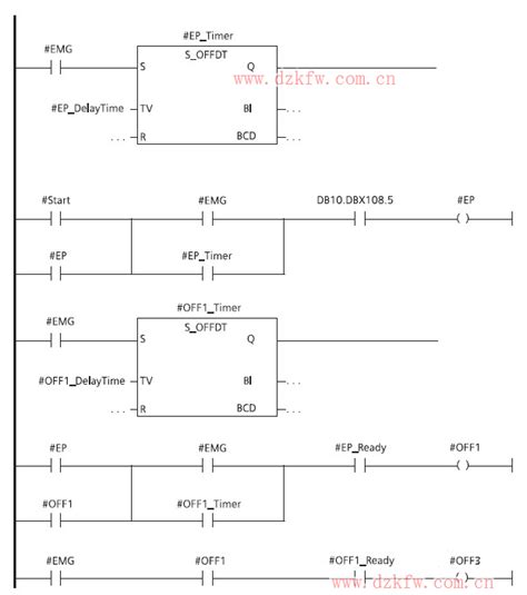
PLC编程简介与指导建议PLC(可编程逻辑控制器)是一种用于自动化控制系统的专用计算机,广泛应用于各种工业领域中。PLC编程是为了使PLC能够实现各种控制功能而进行的软件开发过程。在本文中,我们将简要介绍PLC编程的基本原理,并提供一些指导建议。一、PLC编程的基本原理1. 程序结构:PLC编程的核心是编写程序。一个PLC程序主要由输入模块、中央处理单元(CPU)、内存、输出模块和外部设备组成。输入模块接收信号输入,CPU根据程序逻辑进行计算,将计算结果存储在内存中,然后通过输出模块控制外部设备的动作。2. 编程语言:常见的PLC编程语言包括梯形图(Ladder Diagram)、指令列表(I…
时间:2024年05月03日  |  阅读:418
关于 我们
免责声明:本网站部分内容由用户自行上传,若侵犯了您的权益,请联系我们处理,谢谢! 沪ICP备2023034384号-10
免责声明:本网站部分内容由用户自行上传,若侵犯了您的权益,请联系我们处理,谢谢! RSS订阅本站最新文章 沪ICP备2023034384号-10 网站地图